除了KSF系列位移傳感器其他系列技術資料請點擊:MIRAN米朗位移傳感器了解更多詳情
中文品牌:米朗位移傳感器
英文品牌:MIRAN位移傳感器
屬性:MIRAN米朗KSF直線式微型滑塊位移傳感器
“特大好消息”
通過多年的努力,廣州蘭瑟電子獲得了國外知名生產商的信任和支持,在全球多個地方設立采購點,這一切使得我司的國際產品供應能力不斷壯大,有著不可超越的優勢。為了更好更方便地服務于區域性不同需求的用戶;希望在部份省市增設服務點。
MIRAN米朗產品廣泛應用于各個自動化控制領域,我司作為米朗的一級代理,主要銷售直線位移傳感器、拉繩式位移傳感器、磁致伸縮位移、電子尺、液位傳感器、角度傳感器,顯示儀表及相關的應用型產品,保證原裝正品,性價比最高的米朗位移傳感器。
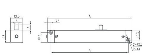
MIRAN米朗KSF微型滑塊位移傳感器主要參數:
1、有效行程規格(mm):50
2、電阻(KΩ±10%):5
3、獨立線性精度(%):0.3
4、解析度:無限分辨;
5、最大工作速度:5m/s;
6、使用溫度范圍:-30~125Co
7、尺寸:A=有效行程+36mm
8、尺寸:B=有效行程+29mm
KSF微型滑塊直線位移傳感器體積小巧、行程從5mm~50mm,廣泛應用于微型控制系統。如:伺服控制閥位置檢測和控制、醫療設備、皮革機械、合模控制、IT設備、紙品機械、紡織機械、船舶操舵系統、以及其它位移檢測等場合。
MIRAN米朗KSF微型滑塊位移傳感器規格大小:

除KSF位移傳感器MIRAN其它不同系列請點擊:
KTR位移傳感器,MIRAN米朗KTR自恢復式位移傳感器
KPF位移傳感器,MIRAN米朗KPF法蘭位移傳感器
KPM位移傳感器,MIRAN米朗KPM微型絞接位移傳感器
KPC位移傳感器,MIRAN米朗KPC絞接式位移傳感器
以上是MIRAN米朗代理商提供的圖片,參數,線制,型號等相關信息;不同規格尺寸,不同折扣價格,詳情請撥打020-22157650/15322063181(楊經理)。
|