【廣州蘭瑟電子科技】一級供應商全球提供德國Sartorius PR6221/75TC3稱重傳感器PR6221/75TC3(LOADCELL)廠家直銷折扣價格,服務熱線:020-22157650;專業負責賽多利斯Sartorius稱重傳感器PR6221/75TC3中國市場的售前售后服務。
想了解更多產品信息請點擊:德國Sartorius稱重傳感器,找專業工程師楊帆為您服務!!!
“特大好消息:
通過多年的努力,廣州蘭瑟電子獲得了國外知名生產商的信任和支持,全球多個采購點,這一切使得我司的國際產品供應能力不斷壯大,有著不可超越的優勢。現在為了更完善的發展業務;希望在部份省市增設服務點,以更好更方便地服務于區域性不同需求的用戶。
為滿足廣大用戶需求,德國Sartorius生產各種類型:壓力傳感器,拉壓式、彎曲梁單點式、懸臂梁、柱式、輪輻式不同結構,另外配套生產德國Sartorius變送器,儀表,精密天平,工業秤等。

英文品牌類型:德國Sartorius load cell
中文品牌類型:德國賽多利斯稱重傳感器
屬性:德國Sartorius PR6221/75TC3柱式稱重傳感器
價格:大量批發,一只也批發
德國Sartorius PR6221/75TC3稱重傳感器特點應用:
PR 6221汽車衡傳感器
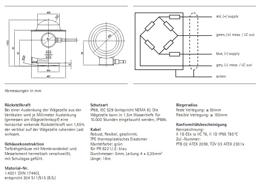
超強過載能力,IP 68, IEC 529 / EN 60529: 1.5 m 水下浸沒10,000 h IP 69K, DIN 40 050: 高壓水位, 蒸汽清洗 密封相當于 NEMA 6
rocker-pin原理認證,超壓保護,可讀性高100%免維護
提供防爆型號
已申請專利:WO 01/18504, EP 1 227 306 A1
用于防爆1、2、20、21、22和DIV 1區
無需調整轉角,對于每毫米的位移,傳感器的頂部都會沿著垂直軸轉動,水平方向恢復0.5%垂直方向傳感器生成的載荷力。
傳感器結構,拉伸外殼,密封焊接膜和測量元件,惰性氣體填充。
材質-編號,1.4301 (DIN 17440), 304 S15 (B.S.)
堅固、靈活,護套i:TPE,顏色:綠色(PR 6221/..E: 顏色: 藍色), 直徑: 5 mm, 4 x AWG22 (0.35 mm2), 長度: 16 m, 彎曲半徑: 50 mm (固定), 150 mm (靈活)
合格證書,固定安裝:≥ 50mm; 靈活安裝: ≥ 150mm,彎曲半徑
特征,II 1G EEx ia IIC T6, II 1D IP65 85°C; 注冊號: PTB 02 ATEX 2059, T嘀 03 ATEX 2301x
為了地磅稱量、汽車衡設計的
結合安裝套件,平衡了機械或者因地磅結構引起的熱脹冷縮的震動,獨特的結合了特選的符合幾何形狀和材料/表面硬度參數,保證了產品完美的滾轉特性、高恢復性和長時間免維護操作。
德國Sartorius PR6221/75TC3稱重傳感器安裝尺寸:
德國Sartorius PR6221/75TC3稱重傳感器相關系列型號:
PR6221/20TC3、PR6221/25TC3、PR6221/30TC3、PR6221/50TC3、PR6221/60TC3、PR6221/75TC3
PR6207/11D1、PR6207/11C3、PR6207/12D1、PR6207/12C3、PR6207/21D1、PR6207/21C3、PR6207/22D1、PR6207/22C3、PR6207/51D1、PR6207/51C3、
PR6011/00N、PR6011/00S、 PR6011/03N、 PR6011/09N、PR6011/10N、 PR6011/10S、 PR6011/11N、 PR6011/11S、PR6011/20N、PR6011/20S、 PR6011/30N、PR6011/30S、PR6011/40N、PR6011/40S
關于地磅稱量、汽車衡設計的德國Sartorius PR6221/75TC3稱重傳感器更多相關資源請點擊:http://m.zjnfsrn.com查找或者直接來電咨詢!
|